网络摄像机基本概念及组成
1、基本概念
网络监控摄像头系统结构如下:

工作原理:被摄物体经镜头成像在影像传感器表面,形成微弱电荷并积累,在相关电路控制下,积累电荷逐点移出,经过滤波、放大后输入DSP进行图像信号处理和编码压缩,最后形成数字信号输出。
2、网络摄像机的组成
网络摄像机组成模块如下:
序号 组成模块 说明
1 摄像机镜头 网络摄像机的前端部件
2 滤光片 滤除红外线与修整进光
3 音视频传感器 拾声器或叫麦克风 / 有CMOS和CCD两种,现在市面上大部分为CMOS
4 A/D转换器 将图像和声音等模拟信号转换成数字信号
5 音视频编码器 硬件编码压缩与软件编码压缩
6 控制器 用于管理控制,有独立部件和与DSP集成两种
7 网络服务器 提供网络功能(远程访问与操作控制)
8 控制接口 如控制云台的485接口,用于报警信号的I/O口
3、网络摄像机的一般性技术指标
网络摄像机的一般性技术指标如下:序号 技术指标 说明
1 分辨率 一般线数来表示,代表清晰度,如720P、1080P
2 像素 构成影像的最小单位(Pixel),如200万像素、400万像素
3 照度 测量摄像感光度的一种方法(Lux)
4 电源 交流有AC、DC,POE+等供电方式
6 音频 可支持音频输入和输出的摄像机
4、摄像机图像传感器介绍(概念普及)
目前主流厂家镜头主要采用的为CMOS。
序号 图像传感器 优点 缺点
1 CCD (Charged Coupled Device)电荷耦合器件 | 灵敏度,信噪比,成像质量 | 成本、动态范围、功耗、制造加工
2 CMOS(Complementary Metal Oxide Semiconductor)互补金属氧化物半导体|成本、动态范围、功耗|灵敏度、信噪比、成像质量
3 DIS(Digital Image System)|采用SOC技术,把Sensor和DSP集成在一个芯片上|体积小、集成度高、可靠性高、功耗低
5、云台、防护罩介绍
1)云台(Pan&Tilt)介绍
简单来说,云台是摄像机的安装平台,可以水平和垂直的运动,将摄像机安装于其上,实现摄像机多个自由度运动的装置,满足对固定监控目标的快速定位,或对大范围监控环境的全景观察。
云台的分类

序号 分类规则 分类说明
1 承载能力
轻载云台,最大负重20磅(9.08公斤);
中载云台,最大负重50磅(22.7公斤);
重载云台,最大负重100磅(45公斤);
防爆云台,用于危险环境下、能够防爆和防粉尘点燃的云台,带高转矩交流电机和可调螺杆驱动,可负重100磅。
2使用环境
按使用环境分为室内型和室外型,主要区别是室外型密封性能好,防水、防尘,负载大。
3运动方向
水平旋转云台——仅能实现水平旋转运动,故亦称为转台;
全方位云台——既能够作水平旋转运动,也能够作垂直俯仰运动,有的还能够做结合两者的复合运动。
4回转范围
水平旋转有0~355度云台,两端设有限位开关,还有360度自由旋转云台,可以作任意个360度旋转;
垂直俯仰均为90度(球形云台为0~-90度)。
2)视频监控摄像机防护罩
防护罩是使摄像机在有灰尘、雨水、高低温等情况下正常使用的防护装置。

防护罩简单分类
序号 分类 说明
1室内用防护罩
结构简单,价格便宜。其主要功能是防止摄像机落灰并有一定的安全防护作用,如防盗、防破坏等
2室外用防护罩
一般为全天候防护罩,即无论刮风、下雨、下雪、高温、低温等恶劣情况,都能使安装在防护罩内的摄像机正常工作。一般这种防护罩具有降温、加温、防雨、防雪等功能。同时,为了在雨雪天气仍能使摄像机正常摄取图像,一般在全天候防护罩的玻璃窗前安装有可控制的雨刷
3其他
半球形、球形防护罩,这种防护罩内置万向可调支架,造型美观
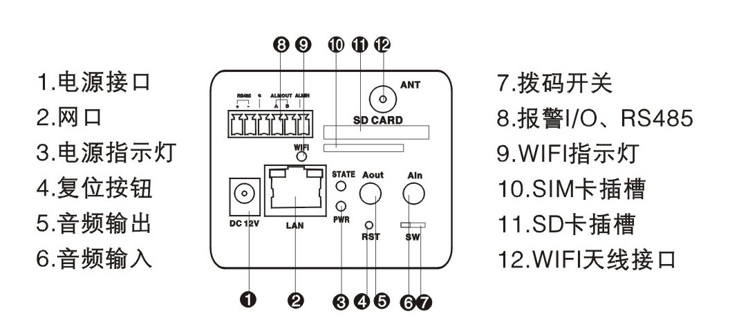
6、网络摄像机后面板接口示意图

视频监控摄像头的主要功能指标详述
序号 功能指标 说明
1日夜转换
低照度场景中转换为黑白模式,如夜间
2日夜全彩
日夜转换的升级版本,从黑白模式升级为全彩模式
3白平衡
一般为自动,纠正图像色温,让图像更符合人眼视觉
4自动增益
将来自图像传感器的信号放大到可以使用水准的视频放大器,其放大量即增益,并自动根据信号电平调整增益幅度
5背光补偿
逆光情况下,使被拍的焦点清晰,但是背景会模糊
6宽动态
背光补偿的升级版本,让背景更清晰
7IP(防尘、防水能力)
防尘、防水的等级,多为IP67
1、日夜转换模式和夜间全彩
1)日夜转换
白天彩色,晚上黑白,白天彩色/晚上黑白(COLOR/MONO)摄像机是利用黑白影像对红外线感度较高的特点,在一定的光源条件,利用线路切换的方式将影像由彩色转为黑白,以便于搭配红外线。
在白天或光源充足时为彩色摄像机,当夜晚降临或光源不足时(一般在1LUX~3LUX)利用数位电路将彩色信号消除掉,成为黑白影像。
日夜转换模式:电子式(软件的转换)、机械式(ICR)CCD硬件的转换。

2)日夜全彩
在微光情况下,通常是是指星光环境下无任何辅助光源,可以显示清晰的彩色图像,区别于日夜转换模式的摄像机,日夜转换摄像机只能显示黑白图像。
2、最低照度
表示摄像机能够正常输出图像的最低照度值,也称为灵敏度。是CCD对环境光线的敏感程度,或者说是CCD正常成像时所需要的最暗光线。照度的单位是勒克斯(LUX),数值越小,表示需要的光线越少,摄像头也越灵敏。
单位:Lux(勒克斯)
以摄像机正常工作照度范围划分:
序号 工作照度 说明
1普通型 1~3 Lux
2月光型 0.1 Lux左右
3星光型 0.01 Lux以下
4红外型 0 Lux,采用红外灯照明,在没有光线的情况下也可以成像
备注:1LUX大约等于1烛光在1米距离的照度,是摄像机参数规格中常见的最低照度,表示该摄像机只需在所标示的LUX数值下,即能获取清晰的影像画面。

在超低照度下,仍可获高清晰度、亮丽的图像。
一般情况下:
夏日阳光下为100,000LUX;阴天室外为10000LUX;
室内日光灯为100LUX;距60W台灯60CM桌面为300LUX;
电视台演播室为1000LUX;黄昏室内为10LUX;
夜间路灯为0.1LUX;烛光(20CM远处)10~15LUX。
3、白平衡
白平衡只用于彩色摄像机,实现摄像机图像能精确反映景物实际状况,确保在不同色温环境下正确表示色彩,有手动白平衡和自动白平衡两种方式。

1)自动白平衡
连续方式,此时白平衡设置将随着景物色彩温度的改变而连续地调整,各家厂商改变范围,如2800~6000K 。这种方式对于景物的色彩温度在拍摄期间不断改变的场合是最适宜的,使色彩表现自然,但对于景物中很少甚至没有白色时,连续的白平衡不能产生最佳的彩色效果。

2)手动白平衡
开手动白平衡将关闭自动白平衡,此时改变图像的红色或蓝色状况有固定的等级供调节,如增加或减少红色各一个等级、增加或减少蓝色各一个等级。
4、自动增益
自动增益 AGC(Auto Gain Control)将来自图像传感器的信号放大到可以使用水准的视频放大器,其放大量即增益,并自动根据信号电平调整增益幅度。
使用ACG功能可以提升摄像机的动态范围(如夜间光照不够的时候进行监视),但是自动增益是无差别增益,会将噪声一同放大。
自动增益一般用在照度不够的时候,就是加大前级放大,不过放大之后,随之而来的就是颗粒感增加。

在照度过大时,就是减少前级放大,这也减少了相应的宽容度(图像随之感觉区分度不够)。
5、背光补偿和宽动态
1)背光补偿
采用背光补偿技术,让摄像机找到拍摄最佳图像的参考亮度,然后自动提供适当的光补偿量,帮助用户很好地识别一个背部光照很强的物体。背光补偿往往针对目标图像的特定区域有效。

2)宽动态
背光补偿功能的升级版,不仅拍摄焦点清晰,背景也清晰。针对逆光场景,宽动态技术在后景区域使用短快门曝光,在前景区域使用长快门曝光,生成合成图像。

使用宽动态技术,可以既能看清图像暗处的细节,而图像亮处又不过曝,宽动态技术可获得比背光补偿技术更加清新、艳丽的图像。
6、IP防护等级
IP(Ingress Protection)防护等级由IEC制定,由两位数字组成,一般摄像机会做到IP67,IP后的两位数字具体含义如下表所示:
等级 防尘(IP后第1位数字) 防尘说明 防水(IP后第2位数字) 防水说明
0 |无防护| 对外界的人或物无特殊的防护|无防护|对水或湿气无特殊的防护
1 |防止直径大于50mm的固体外物侵入 |防止人体(如手掌)因意外而接触到电器内部的零件,防止较大尺寸(直径大于50mm)的外物侵入 |防止水滴浸入
|垂直落下的水滴(如凝结水)不会对电器造成损坏
2 |防止直径大于12.5mm的固体外物侵入 | 防止人的手指接触到电器内部的零件,防止中等尺寸(直径大于12.5mm)的外物侵入 |倾斜15度时,仍可防止水滴浸入|当电器由垂直倾斜至15度时,滴水不会对电器造成损坏
3 |防止直径大于2.5mm的固体外物侵入|防止直径或厚度大于2.5mm的工具、电线及类似的小型外物侵入而接触到电器内部的零件|防止喷洒的水浸入|防雨或防止与垂直的夹角小于60度的方向所喷洒的水侵入电器而造成损坏
4 |防止直径大于1.0mm的固体外物侵入|防止直径或厚度大于1.0mm的工具、电线及类似的小型外物侵入而接触到电器内部的零件 |防止飞溅的水浸入|防止各个方向飞溅而来的水侵入电器而造成损坏
5 |防止外物及灰尘|完全防止外物侵入,虽不能完全防止灰尘侵入,但灰尘的侵入量不会影响电器的正常运作|防止喷射的水浸入|防止来自各个方向由喷嘴射出的水侵入电器而造成损坏
6 |防止外物及灰尘|完全防止外物及灰尘侵入|防止大浪浸入|装设于甲板上的电器,可防止因大浪的侵袭而造成的损坏
7 ||防止浸水时水的浸入|电器浸在水中一定时间或水压在一定的标准以下,可确保不因浸水而造成损坏
8 ||防止沉没时水的浸入|电器无限期沉没在指定的水压下,可确保不因浸水而造成损坏
摄像机镜头介绍
1、与摄像头相关的术语
摄像机镜头是视频监视系统的非常关键的设备,它的质量(指标情况)优劣直接影响摄像机的整机指标,摄像机镜头的选择既关系到系统质量,又关系到项目造价。
序号 术语 术语说明
1 焦距/变焦 焦距指镜头中心到焦点的距离(mm)/焦距可调,可分为短焦距、标准焦距、长焦距、变焦距
2 长焦镜头 光学变焦能力较强的镜头,一般都在10倍以上
3 视场/视场角 成像范围/视场边缘与镜头后节点所形成的夹角,可分为广角(f<4mm)、标准(f约为8~9mm)、远摄镜头(f>12mm)
4 光圈/快门 控制曝光大小的装置(f)/控制曝光时间的装置,可分为手动光圈定焦、自动光圈定焦、自动光圈变焦
5光圈系数 好比控制曝光量的尺度,f值越小则通光量越大。
2、镜头景深
景深是拍摄对象在平面上成清晰像的空间深度,是镜头前一定长度的空间,当拍摄对象处于此空间时,拍摄对象在底片上的成像位置正好在焦点前后两个弥散圆之间。

摄像空间所处的这段长度,叫做景深。简单的说,就是拍摄对象清楚到模糊的距离。当光圈越大,景深就越接近,而光圈越小,景深也就越远。
3、镜头视场角
视场角简单的说就是以镜头为顶点,摄像机可以拍摄到的最大角度。

视场角的大小决定了镜头的视野范围,视场角越大,视野就越大。
通俗地说,目标物体超过这个角就不会被收在镜头里。
1)监控摄像头镜头视场角分类
标准镜头视场角在53°左右,远摄镜头视场角≤20°,广角镜头视场角≥90°,鱼眼镜头视场角≥180°

镜头视场角示意图:

4、镜头焦距
焦距的大小决定着视场角的大小,焦距数值小,视场角大,所观察的范围也大,但距离远的物体分辨不很清楚;焦距数值大,视场角小,观察范围小,只要焦距选择合适,即便距离很远的物体也可以看得清清楚楚。

焦距和视场角是一一对应的,一个确定的焦距就意味着一个确定的视场角,所以在选择镜头焦距时,需要充分考虑观测细节重要,还是观测范围重要,如:需要看细节,选择长焦距镜头;需要看近距离大场面,就选择小焦距的广角镜头。
1)镜头焦距的测算,估算法(适用于4mm以上的镜头)
例:某人距离摄像机10米
要看清人脸,用20mm左右的镜头;
要看清人体轮廓,用10mm左右的镜头;
要监控人的活动画面,用5mm左右的镜头:
测算示例如下:
监控距离(米) 看清细节特征(人脸等) 看清体貌特征(人的轮廓等) 看清行为特征(人物活动)
X 焦距:2X(mm) 焦距:X(mm) 焦距:X/2(mm)
定焦距镜头一般分为长焦距镜头,中焦距镜头和短焦距镜头。
5、镜头焦距的测算
视场和焦距的计算 视场系指被摄取物体的大小,视场的大小是以镜头至被摄取物体距离,镜头焦头及所要求的成像大小确定的。
镜头的焦距、视场大小及镜头到被摄取物体的距离的计算如下: f=wL/W 2、f=hL/h ,即图像高度*物距/ 物体高度
f:镜头焦距;
w:图象的宽度(被摄物体在ccd靶面上成象宽度)
L:被摄物体至镜头的距离
W:被摄物体宽度
h:图象高度(被摄物体在ccd靶面上成像高度)视场(摄取场景)高度
H:被摄物体的高度
6、镜头焦距的选择(示例)
中焦距镜头是焦距与成像尺寸相近的镜头;焦距小于成像尺寸的称为短距镜头,短焦距镜头又称广角镜头,该镜头的焦距通常是28mm以下的镜头,短焦距镜头主要用于环境照明条件差,监视范围要求宽的场合,焦距大于成像尺寸的称为长焦距镜头,长焦距镜头又称望远镜头,这类镜头的焦距一般在150mm以上,主要用于监视距离较远处的景物。

参考表:

视频监控系统-后端相关设备
1、网络视频录像机(NVR)
NVR是Net Video Recorder的缩写 ,其主要功能是对网络音视频数据进行集中存储和检索
主要工作原理:

2、混合型网络硬盘录像机(H-DVR)
H-DVR(Hybrid DVR)混合型DVR或复合DVR;可同时接入模拟摄像机和网络摄像机(H-DVR = DVR + NVR)
3、监控摄像机控制设备
1)解码器
监控解码器是监控系统中的前端控制设备,其主要是采用微处理器来解码控制信号对万向云台、变焦镜头、辅助开关等进行控制。
每个解码器上都有一个拨码开关,它决定了该解码器在该系统中的编号(即ID号),在使用解码器时首先必须对拨码开关进行设置使其与系统中的摄像机编号保持一致。
2)矩阵
视频矩阵是指通过阵列切换的方法将多路视频信号任意输出至多个监看设备上的电子装置(一般情况下矩阵的输入大于输出)。另外有一些视频矩阵也带有音频切换功能,能将视频和音频信号进行同步切换,这种矩阵也叫做视音频矩阵。
3)画面分割器
画面分割器主要是通过图像压缩和数字化处理的方法把多个监控图像压缩在一个监视器屏幕上进行显示。
4)监视器
监视器是视频监控系统的重要设备之一,系统前端中所有摄像机的图像信号以及记录后的回放图像信号都将通过监视器显示出来。所以,选择质量好、技术指标能与整个系统设备的技术指标相匹配的监视器是非常重要的。
监控屏、存储和网络,后期日韩茄子视频APP在视频监控系统实战篇的时候进行介绍。


